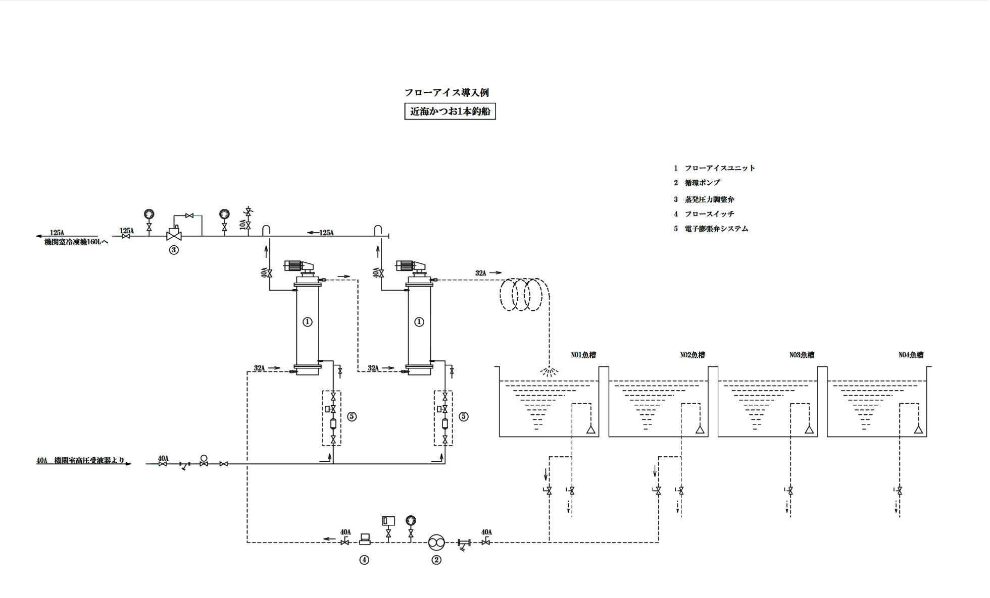
フローアイス
概要 Summary
直径0.1mmほどの微粒氷と水の混ざった液状氷を製造、利用するシステムです。
液状氷の為、ポンプで自由に目的の場所に運ぶ事ができます。
フローアイスは、海水又は塩水を特殊仕様の攪拌式ステンレス熱交換器で製造します。
製造したフローアイスは、いったんタンクに貯めるか、又は直接目的の場所にポンプ搬送します。
魚の急速冷却、鮮度保持に効果を発揮します。
紫外線、オゾン等の殺菌装置を組み合わせる事も可能です。


特徴 characteristics
●ポンプで自由に必要とする場所に搬送できる
●微粒氷の為、魚体との接触面積が大きく、急速冷却が可能
●微粒氷の為、魚体を傷つけない
【 フローアイス導入例 】
画像をクリックすると拡大します
省エネアイスバンク
概要 Summary
蓄冷時にコイル表面に結氷させ、放冷時に氷を外側から溶かし融解熱を利用する外融式アイスバンクシステムです。
コイル内は、アンモニア満液式を採用した高効率な製氷システムです。
安価な夜間電力を使用する事により、更にランニングコストを低減します。
取出し冷水温度を限りなく0℃に近づける事が可能です。
急速融解を伴う大負荷への追従性に優れ、空調システム、食品などの産業プロセス冷却に適しています。

特徴 characteristics
●自然冷媒(アンモニア)を使用した環境にやさしい設備
●高効率な製氷システムで夜間電力利用によりランニングコストを大幅に低減
●外融式製氷システムは、構造が簡単でトラブルが少ない
●限りなく0℃に近い冷水を安定供給
製氷設備

概要
Summary
a)角氷製氷設備
自然冷媒NH3/CO2二次ループシステムを採用した角氷製氷システムです。
既存システムに比べて大幅なランニングコストの削減が可能です。
b)フレークアイス・クラッシュアイス製氷設備
フレークアイス製氷システム、クラッシュアイス製氷システム等、氷の使用用途に合せて選定できます。
真水でも海水でも製氷できます。
自然冷媒NH3を使用した製氷システムにも対応致します。
c)フローアイス製氷設備
直径0.1mmほどの微粒氷と水の混ざった液状氷を製造・利用するシステムです。
ポンプで自由に必要とする場所に搬送できます。
微粒氷の為、魚体等との接触面積が大きく急速冷却が可能で、又魚体を傷つけません。
自然冷媒NH3を使用した製氷システムにも対応できます。


